To the top of the document
Cruze
   
GMDE Start Page Load static TOC Load dynamic TOC Help?

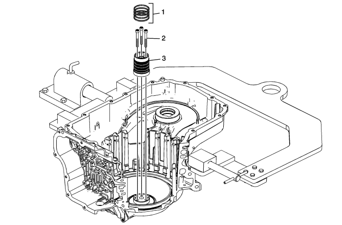
Input Shaft Support Replacement - Gen 1


1891321

Callout

Component Name

1

3-5 Reverse and 4-5-6 Clutch Fluid Seals (Qty: 4)

Tip

    • Discard the fluid seals. They are not reusable.
    • Refer to 3-5-Reverse and 4-5-6 Clutch Fluid Seal Ring Replacement : Gen 1 .

2

Input Shaft Support Bolts M6 x 50 (Qty: 3)

Caution: Refer to Fastener Caution in the Preface section.

Tighten
12 N·m (106 lb in)

3

Input Shaft Support

Tip
Inspect the support for wear, damage or porosity.

   


© Copyright Chevrolet. All rights reserved