To the top of the document
Cruze
   
GMDE Start Page Load static TOC Load dynamic TOC Help?

Control Valve Body Assembly Removal

Table 1: Control Valve Body Cover Removal
Table 2: Control Solenoid (With Body and TCM) Valve Assembly Removal
Table 3: Control Valve Body Assembly Removal

Control Valve Body Cover Removal


1891304

Control Valve Body Cover Removal

Callout

Component Name

1

Control Valve Body Cover Bolts M6 x 30 (Qty: 13)

2

Control Valve Body Cover

3

Control Valve Body Gasket

Tip
Discard the seal. It is not reusable.

4

Control Valve Body Cover Wiring Connector Hole Seal

Caution: Support the control solenoid valve assembly around the connector when removing the seal. Excessive pulling force can damage the internal electrical connections.

Tip
Discard the seal. It is not reusable.

5

Shift Position Switch Connector

6

Output Speed Sensor Connector

7

Input Speed Sensor Connector

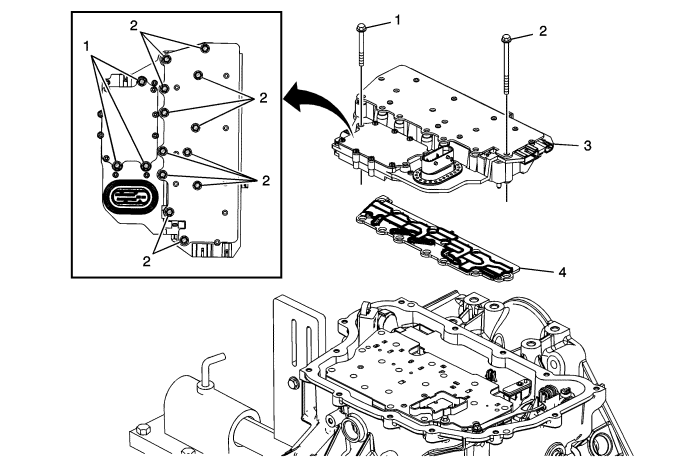
Control Solenoid (With Body and TCM) Valve Assembly Removal


1891305

Control Solenoid (With Body and TCM) Valve Assembly Removal

Callout

Component Name

1

Control Valve Body M5 x 40.5 (Qty: 3)

2

Control Valve Body Bolt M6 x 30 (Qty: 12)

3

Control Solenoid (with Body and TCM) Valve Assembly

4

Control Solenoid Valve Assembly Filter Plate

Caution: Use care when removing or installing the filter plate assembly. A broken or missing retaining tab may not adequately secure the filter plate to the control solenoid valve assembly, resulting in possible damage or contamination.

Tip
Discard the filter plate. It is not reusable.

Control Valve Body Assembly Removal


1891307

Control Valve Body Assembly Removal

Callout

Component Name

1

Fluid Level Control Valve

2

Fluid Level Control Valve Gasket

3

Control Valve Body Bolt M6 x 60 (Qty: 9)

4

Control Valve Body Bolt M6 x 53 (Qty: 2)

5

Control Valve Body Assembly

6

Control Valve Body Spacer Plate Assembly

7

Manual Shaft Detent Spring Bolt M6 x 16 (Qty: 1)

8

Manual Shaft Detent Lever Spring Assembly

9

1-2-3-4 Clutch Fluid Passage Seal

Tip
Discard the seal. It is not reusable.

10

Low/Reverse Clutch Fluid Passage Seal

Tip
Discard the seal. It is not reusable.

   


© Copyright Chevrolet. All rights reserved