To the top of the document
Cruze
   
GMDE Start Page Load static TOC Load dynamic TOC Help?

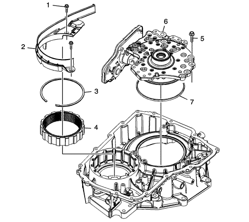
Transmission Fluid Pump, Front Differential Carrier Baffle, and Front Differential Crownwheel Removal - 6T40/45


1891422

Callout

Component Name

1

Front Differential Carrier Baffle Bolts M6 x 25 (Qty: 2)

2

Front Differential Carrier Baffle

3

Front Differential Ring Gear Retainer

Tip
Note the direction of the taper to ensure proper installation.

4

Front Differential Ring Gear

5

Fluid Pump Bolts M8 x 33 (Qty: 8)

6

Fluid Pump Assembly

7

Torque Converter and Differential Housing Seal

   


© Copyright Chevrolet. All rights reserved