To the top of the document
Cruze
   
GMDE Start Page Load static TOC Load dynamic TOC Help?

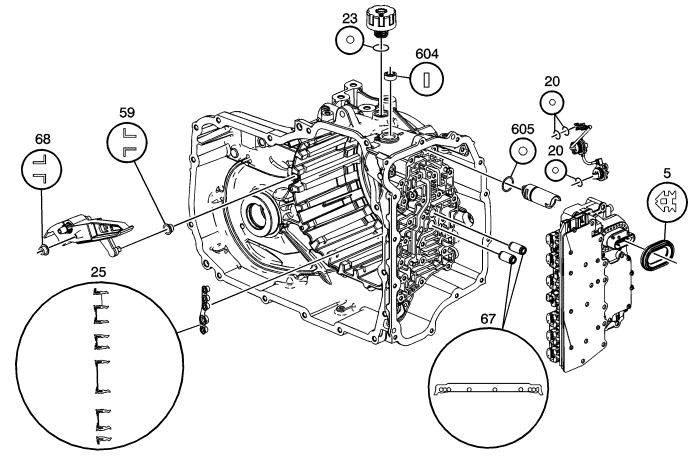
Seal Locations (2 of 2)


1891274
(5)Control Valve Body Cover Hole Seal
(20)A/Trans Input Speed Sensor Assembly O-Ring Seal
(23)Fill Cap Seal
(25)A/Trans Fluid Pump Seal Assembly
(59)Drive Link Lube Fluid Seal
(67)1-2-3-4 and Low Reverse Clutch Fluid Passage
(68)Drive Link Lube Fluid Seal
(604)Manual Shift Shaft Seal
(605)Park Pawl Actuator Guide Seal
   


© Copyright Chevrolet. All rights reserved